一般情况下,从编码器的光电检测器件获取的信号电平较低,波形也不规则,不能直接用于控制、信号处理和远距离传输,所以在编码器内还需要对信号进行放大、整形等处理。经过处理的输出信号一般近似于正弦波或矩形波,因为矩形波输出信号容易进行数字处理,所以在控制系统中应用比较广泛。
增量式光电编码器的信号输出有集电极开路输出、电压输出、线驱动输出和推挽式输出等多种信号形式。
一、集电极开路输出
集电极开路输出是以输出电路的晶体管发射极作为公共端,并且集电极悬空的输出电路。根据使用的晶体管类型不同,可以分为NPN集电极开路输出(也称作漏型输出,当逻辑 1 时输出电压为 0V,如图1-1所示)和PNP集电极开路输出(也称作源型输出,当逻辑 1 时,输出电压为电源电压,如图1-2所示)两种形式。在编码器供电电压和信号接受装置的电压不一致的情况下可以使用这种类型的输出电路。

对于PNP型的集电极开路输出的编码器信号,可以接入到漏型输入的模块中,具体的接线原理如图1-3所示。
注意:PNP型的集电极开路输出的编码器信号不能直接接入源型输入的模块中。

图1-3
对于NPN型的集电极开路输出的编码器信号,可以接入到源型输入的模块中,具体的接线原理如图1-4所示。
注意:NPN型的集电极开路输出的编码器信号不能直接接入漏型输入的模块中。

图1-4
二、电压输出型
电压输出是在集电极开路输出电路的基础上,在电源和集电极之间接了一个上拉电阻,这样就使得集电极和电源之间能有了一个稳定的电压状态,如图1-5。一般在编码器供电电压和信号接受装置的电压一致的情况下使用这种类型的输出电路。

图1-5
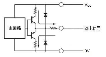
三、推挽式输出
推挽式输出方式由两个分别为 PNP 型和 NPN 型的三极管组成,如图1-6所示。当其中一个三极管导通时,另外一个三极管则关断,两个输出晶体管交互进行动作。
这种输出形式具有高输入阻抗和低输出阻抗,因此在低阻抗情况下它也可以提供大范围的电源。由于输入、输出信号相位相同且频率范围宽,因此它还适用于长距离传输。
推挽式输出电路可以直接与 NPN 和 PNP 集电极开路输入的电路连接,即可以接入源型或漏型输入的模块中。

图1-6
四、线驱动输出
如图 1-7所示,线驱动输出接口采用了专用的 IC 芯片,输出信号符合RS-422 标准,以差分的形式输出,因此线驱动输出信号抗干扰能力更强,可以应用于高速、长距离数据传输的场合,同时还具有响应速度快和抗噪声性能强的特点。

图1-7
版权声明:欢迎分享本文,转载请保留出处!